当前位置: 精品素材 > 公建 > 素材详情
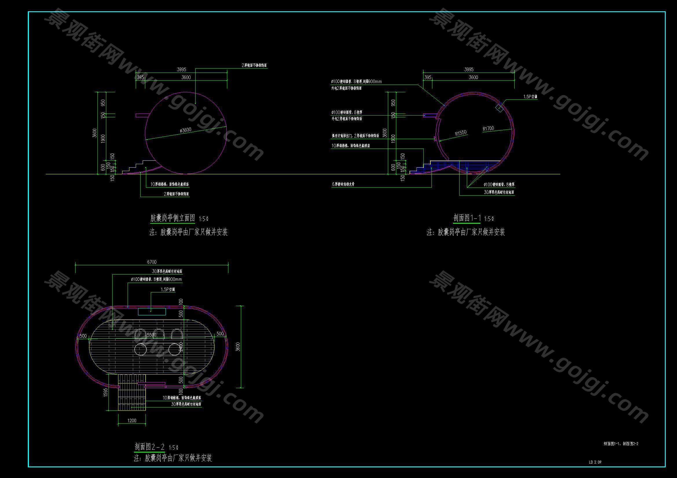
休闲公园景观施工图
1172
 2025-10-04
收藏
类型
公建
大小
181.7MB
上传者
景观之旅
ID
FJ000312
3 (开通VIP会员免费下载)
立即下载
下载指南
-   VIP会员可免费下载(推荐),非VIP会员可购买下载
素材说明
-    该素材点击直接下载,如果下载失效,请联系我们
下载素材:休闲公园景观施工图
网盘密码:
复制密码
下载素材:休闲公园景观施工图
价格:0元(VIP专享价)
今日VIP会员免费下载次数剩
确认下载
温馨提示:已购买的素材3天内可免费重复下载,
VIP用户每日可免费用下载5次哦~